Suche Lenkgetriebe Corsaro 70 Synchro

Wenn ihr auf der Suche nach Ersatzteilen seid, bitte hier.
Antworten
Corsaro 70
Beiträge: 29
Registriert: 14. November 2020, 17:59

Suche Lenkgetriebe Corsaro 70 Synchro

Beitrag von Corsaro 70 »

Hi,
Ich suche ein Lenkgetriebe für einen Same Corsaro 70 synchro.
Bitte alles anbieten😄
Hunsrücker
Beiträge: 6
Registriert: 24. Dezember 2020, 08:43
Wohnort: Trier

Re: Suche Lenkgetriebe Corsaro 70 Synchro

Beitrag von Hunsrücker »

Hallo, ich hätte ein Lenkgetriebe eines Minitauro zu verkaufen. ich weiß nicht ob das passt.
Traktor: Same Minitauro 60 DT EZ: 30.01.1974
Kurt_TigerSix105
Foren-Administrator
Beiträge: 1308
Registriert: 31. Oktober 2010, 21:51
Wohnort: 57629 Mörsbach Ww.
Kontaktdaten:

Re: Suche Lenkgetriebe Corsaro 70 Synchro

Beitrag von Kurt_TigerSix105 »

Hallo ihr Beiden,

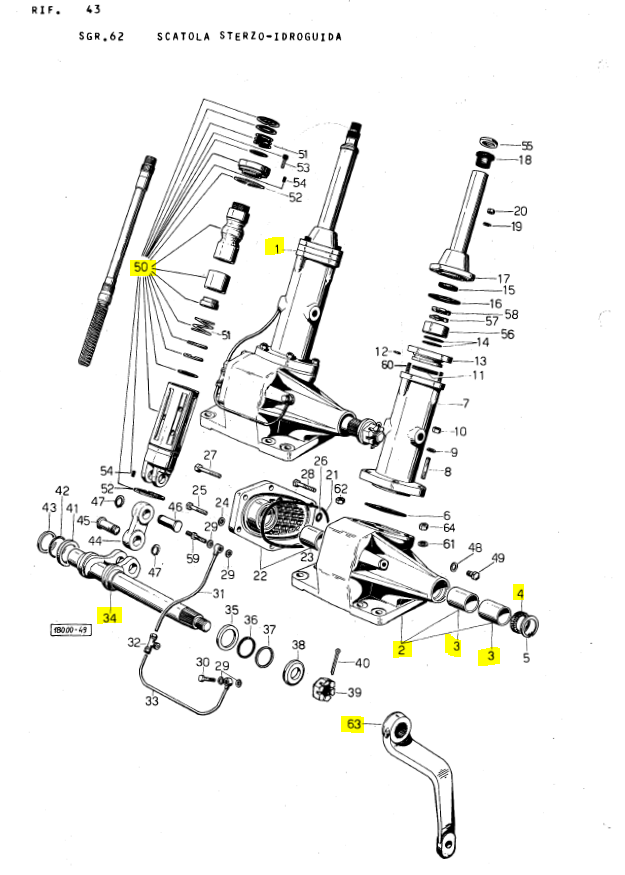
ich habe die Ersatzteillisten vom Corsaro 70 Synchro DT und Minitauro 60 DT und Minitauro 50 und 60 DT miteinander verglichen:
CorMinihydrlenk.PNG
Die gelb markierten Positionen haben die gleichen Ersatzteilnummern für die Allradversion von allen o.g. Typen. Demnach könnte es passen, aber wir wissen ja auch alle: Der Teufel ist ein Eichhörnchen und steckt im Detail. Deshalb kann ich die Aussage nicht garantieren, aber ich würde es versuchen. Auf der anderen Seite spricht dafür, das SAME fast alles selbst hergestellt hat und nur ganz wenig Zukaufteile hatte, das diese Lenkung auch bei einigen anderen Same Schleppertypen noch eingebaut wurde.
Viele Gruesse
Kurt

"Bei 99% aller Probleme ist die umfassende Beschreibung des Problems bereits mehr als die Hälfte der Lösung desselben."
Benutzer 1801 gelöscht

Re: Suche Lenkgetriebe Corsaro 70 Synchro

Beitrag von Benutzer 1801 gelöscht »

Hallo,
wird noch ein Lenkgetriebe gesucht - ist ja schon ne Weile her? Meines ( Saturno 80) wäre abzugeben - allerdings hat das irgendwo zu viel Spiel - aber vielleicht sind ein paar Teile zu gebrauchen!?
Bei mir steht es nur noch ungenutzt rum und saut mir den Holzboden voll.

Gruss Andreas
Antworten

Zurück zu „Suche“