Hallo,
ich fahre einen Taurus 60. Letze Woche wollte ich nach Betrieb die Zapfewelle ausschalten und der Hebel hat sich nicht mehr bewegt. Ich habe dann unten am Gestänge die Schraube mit der Kugel aus dem Raster geschraubt und konnte danach die Zapfwelle ausschalten aber auch das ging sehr schwer. Auch ohne Kugel kann ich die Zahpfwelle nicht richtig einschalten. Der Hebel bewegt sich ein kleines Stück und die Zahpfwelle dreht sich auch, aber ich habe das Gefühl das die nicht richtig drinn ist.
Hat jemand eine Idee was das sein könnte?
Besten Dank für Eure Hilfe.
Ralf
Probleme mit der Zapfwelle
Re: Probleme mit der Zapfwelle
Hallo Rolf
Ich kann Dir leider auch nicht ernsthaft weiterhelfen kann mir nur vorstellen das entweder die Schaltwelle im Getriebegehäuse klemmt ( laut deiner Beschreibung lässt sie sich aber ein wenig bewegen ) oder Die Schaltmuffe Pos. 29 sich nur schwer auf der Zapfwellenwelle Pos. 31 schieben lässt ( Verzahnung def. Lagerbüchse Pos. 32 zwischen den beiden Wellen def. und daher mögliches Verkanten )
Sorry für die schlechten Fotos
Ps. Nach vorne schaltet die Wegzapfwelle nach hinten die Motorzapfwelle
Ich kann Dir leider auch nicht ernsthaft weiterhelfen kann mir nur vorstellen das entweder die Schaltwelle im Getriebegehäuse klemmt ( laut deiner Beschreibung lässt sie sich aber ein wenig bewegen ) oder Die Schaltmuffe Pos. 29 sich nur schwer auf der Zapfwellenwelle Pos. 31 schieben lässt ( Verzahnung def. Lagerbüchse Pos. 32 zwischen den beiden Wellen def. und daher mögliches Verkanten )
Sorry für die schlechten Fotos

Ps. Nach vorne schaltet die Wegzapfwelle nach hinten die Motorzapfwelle
-
- Foren-Administrator
- Beiträge: 1300
- Registriert: 31. Oktober 2010, 21:51
- Wohnort: 57629 Mörsbach Ww.
- Kontaktdaten:
Re: Probleme mit der Zapfwelle
Hallo Richi,
hallo Ralf,
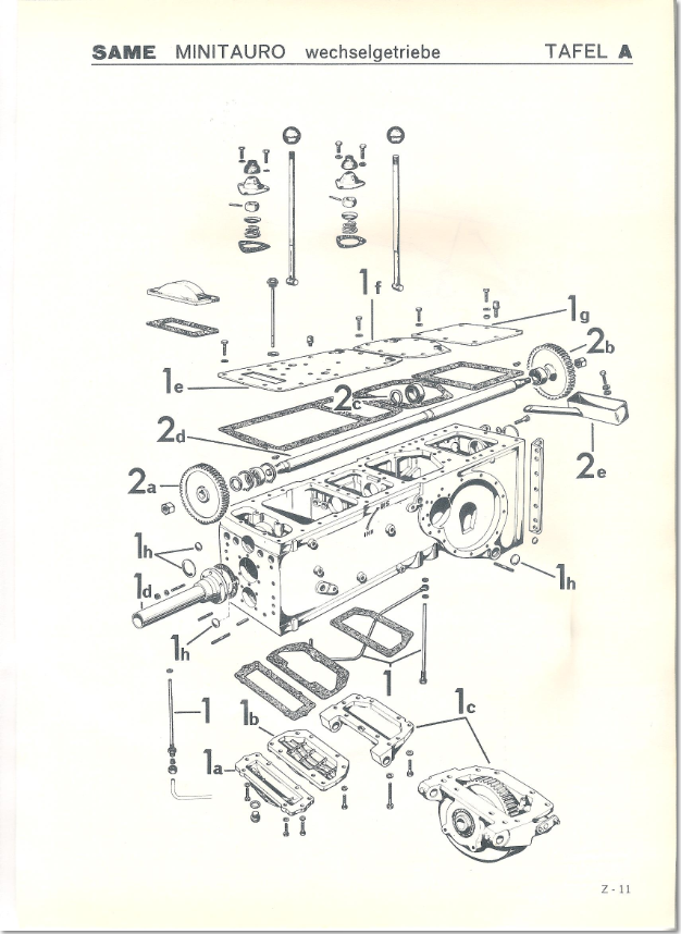
ich kann nur ein Bild beisteuern aus dem WHB des Minitauro, mit einem anderen Betätigungshebel.
Ich denke auf Richis mittlerem Bild die Pos. 29 ist auf diesem Bild 7i
die Pos. 31 ist 7g
die Pos. 32 ist nicht benannt aber links von 7g
Richi, berichtige mich bitte wenn das falsch ist. Danke.
hallo Ralf,
ich kann nur ein Bild beisteuern aus dem WHB des Minitauro, mit einem anderen Betätigungshebel.
Ich denke auf Richis mittlerem Bild die Pos. 29 ist auf diesem Bild 7i
die Pos. 31 ist 7g
die Pos. 32 ist nicht benannt aber links von 7g
Richi, berichtige mich bitte wenn das falsch ist. Danke.
Viele Gruesse
Kurt
"Bei 99% aller Probleme ist die umfassende Beschreibung des Problems bereits mehr als die Hälfte der Lösung desselben."
Kurt
"Bei 99% aller Probleme ist die umfassende Beschreibung des Problems bereits mehr als die Hälfte der Lösung desselben."
Re: Probleme mit der Zapfwelle
Vielen Dank für die Antworten!.
Muss der Traktor geteilt warden um an die Welle zu kommen, oder gibt es da eine Klappe/Öffnung?
Die Wegezapfwelle konnte ich noch nie einschalten. Der Hebel hat sich immer nur nach hinten bewegen lassen....
Besten Gruß
Ralf
Muss der Traktor geteilt warden um an die Welle zu kommen, oder gibt es da eine Klappe/Öffnung?
Die Wegezapfwelle konnte ich noch nie einschalten. Der Hebel hat sich immer nur nach hinten bewegen lassen....
Besten Gruß
Ralf
-
- Foren-Administrator
- Beiträge: 1300
- Registriert: 31. Oktober 2010, 21:51
- Wohnort: 57629 Mörsbach Ww.
- Kontaktdaten:
Re: Probleme mit der Zapfwelle
Hallo Ralf,
ich kann dir nur ein paar Dok. vom Minitauro (1972-1978) dem Vorgänger deines Taurus (1978-1984) zur Verfügung stellen.
Ich denke Richi und andere sind dort viel näher am Geschehen, denn ich habe noch nie einen Taurus wirklich gesehen.
Da ich das komplette Dokument nur in Papierform vorliegen habe, habe ich nur die mir relevant erschienen Seiten gescannt. Wenn du mehr brauchst melde dich einfach.
ich kann dir nur ein paar Dok. vom Minitauro (1972-1978) dem Vorgänger deines Taurus (1978-1984) zur Verfügung stellen.
Ich denke Richi und andere sind dort viel näher am Geschehen, denn ich habe noch nie einen Taurus wirklich gesehen.
Da ich das komplette Dokument nur in Papierform vorliegen habe, habe ich nur die mir relevant erschienen Seiten gescannt. Wenn du mehr brauchst melde dich einfach.
Viele Gruesse
Kurt
"Bei 99% aller Probleme ist die umfassende Beschreibung des Problems bereits mehr als die Hälfte der Lösung desselben."
Kurt
"Bei 99% aller Probleme ist die umfassende Beschreibung des Problems bereits mehr als die Hälfte der Lösung desselben."
Re: Probleme mit der Zapfwelle
Hallo Ralf
Um eine erste Bestandesaufnahme zu machen reicht es das Hubwerksgehäuse kompl. abzubauen ( ist eine eigenständige Einheit nur rundherum die Schrauben lösen, die hinten in der mitte von unten nicht vergessen, Gestänge abhängen und zu zweit runterheben ) das Getriebeöl abzulassen, eventuell noch den Blechdeckel vor dem Hubwerksgehäuse, dann siehst du das Diff und genau darunter befindet sich die Schaltmuffe. Danach lässt sich die Zapfwelle nach Demontage des Seegers hinten kompl. mit der Lagerung nach hinten rausklopfen. Leider weiss ich nicht mehr ob die Schaltmuffe so ausgebaut werden kann oder ob sie am Diff ansteht, mein letztes Taurusgetriebe war vor ca. 20 Jahren. Falls nicht oder falls es nötig wird die vordere Welle auszubauen muss der Traktor getrennt werden um die Befestigungsmutter der vorderen Welle zu lösen damit diese danach auch nach hinten rausgetrieben werden kann.
Gruss Richi
Um eine erste Bestandesaufnahme zu machen reicht es das Hubwerksgehäuse kompl. abzubauen ( ist eine eigenständige Einheit nur rundherum die Schrauben lösen, die hinten in der mitte von unten nicht vergessen, Gestänge abhängen und zu zweit runterheben ) das Getriebeöl abzulassen, eventuell noch den Blechdeckel vor dem Hubwerksgehäuse, dann siehst du das Diff und genau darunter befindet sich die Schaltmuffe. Danach lässt sich die Zapfwelle nach Demontage des Seegers hinten kompl. mit der Lagerung nach hinten rausklopfen. Leider weiss ich nicht mehr ob die Schaltmuffe so ausgebaut werden kann oder ob sie am Diff ansteht, mein letztes Taurusgetriebe war vor ca. 20 Jahren. Falls nicht oder falls es nötig wird die vordere Welle auszubauen muss der Traktor getrennt werden um die Befestigungsmutter der vorderen Welle zu lösen damit diese danach auch nach hinten rausgetrieben werden kann.
Gruss Richi
Re: Probleme mit der Zapfwelle
Hallo,
nachdem ich erfahrene Hilfe hatte konnte ich das Problem lösen.
Es war nur ein Problem am Gestänge, so dass die Kugel nicht tief genug in den löchern der Rastenplatte verschwand.
Nach ein paar Stunden schrauberei habe ich dann je 2 Unterlegscheiben hinter die Rastenplatte gepackt, so das diese weiter vor kommt. Nun ist die Kugel fast ganz die die Hülse mit der Feder gerutscht und ich konnte schalten ohne das die Kugel hängen bleibt. Es ist noch nicht ganz perfekt, da die Wegezapfwelle nicht reingeht aber für den Anfang bin ich froh
das es nichts größeres war.
Nochmals vielen, vielen Dank an alle die mir hier geholfen haben.
Besten Gruß
Ralf
nachdem ich erfahrene Hilfe hatte konnte ich das Problem lösen.
Es war nur ein Problem am Gestänge, so dass die Kugel nicht tief genug in den löchern der Rastenplatte verschwand.
Nach ein paar Stunden schrauberei habe ich dann je 2 Unterlegscheiben hinter die Rastenplatte gepackt, so das diese weiter vor kommt. Nun ist die Kugel fast ganz die die Hülse mit der Feder gerutscht und ich konnte schalten ohne das die Kugel hängen bleibt. Es ist noch nicht ganz perfekt, da die Wegezapfwelle nicht reingeht aber für den Anfang bin ich froh

Nochmals vielen, vielen Dank an alle die mir hier geholfen haben.
Besten Gruß
Ralf
Re: Probleme mit der Zapfwelle
Hallo
Na dann herzlichen Glückwunsch, manchmal sucht man auch zu weit. Besten Dank für die Rückmeldung.
Wegzapfwelle geht bei meinem Taurus auch schlecht rein, meist nur während langsamer Fahrt, brauche diese aber auch fast nie.
Dann noch viel Spass mit Deinem Taurus.
Gruss
Richi
Na dann herzlichen Glückwunsch, manchmal sucht man auch zu weit. Besten Dank für die Rückmeldung.
Wegzapfwelle geht bei meinem Taurus auch schlecht rein, meist nur während langsamer Fahrt, brauche diese aber auch fast nie.
Dann noch viel Spass mit Deinem Taurus.
Gruss
Richi