Steuergerät Heckhydraulik doppeltwirkend ändern

Hydraulikblock, Betätigung, Zusatzhubzylinder
same105s
Beiträge: 3
Registriert: 15. September 2013, 15:55
Wohnort: Burscheid

Steuergerät Heckhydraulik doppeltwirkend ändern

Beitrag von same105s »

Guten tag.
wir haben seit kurzen auch ein same 105 tiger six
meine Frage zur Heckhydraulik ist der hat da zwei doppeltwirkende Anschlüsse.
( wir haben eigentlich viel Kipper Mäher Wender Fahrten Einsatze für einfachwirkend )
kann man einen davon änder auf einfachwirkend?
oder macht das nix aus ?
wenn ja wie der hat in Fahrtrichtung rechts sein steuerblock
und die zweite Frage ist wo kann man da denn drück regeln weil zur zeit hat der an die Heckhydraulik nur ca 150 bar

vielen dank ihn vorraus
gruß tobias
jaguar95
Beiträge: 58
Registriert: 9. Juni 2014, 21:06
Wohnort: Neualbenreuth

Re: Steuergerät Heckhydraulik doppeltwirkend ändern

Beitrag von jaguar95 »

Hallo Tobias,

du kannst selbstverständlich jeden der vier Anschlüsse für einen einfachwirkenden Verbraucher benutzen, da musst du gar nichts umrüsten. Wenn du beispielsweise an den linken beiden Anschlüssen deinen Kipper anschließt, gibt es nur zwei Möglichkeiten: Entweder Hebel am linken Steuergerät nach vorn oder nach hinten. In einen von beiden Fällen hebt sich was. In die entgegengesetzte Richtung betätigt senkt sich was.

Zu Frage 2: DIe Frage ist ein bisschen schwammig formuliert.

Meinst du den Druck an den Anschlüssen der Steuergeräte, oder meinst du den Druck im internen Hydraulikkreis für das Anheben von Geräten mit dem Heckkraftheber?
Wie hast du den Druck und an welchem Anschluss gemessen? Warum erscheint dir der Druck zu gering?

Gruß
Peter
Kurt_TigerSix105
Foren-Administrator
Beiträge: 1308
Registriert: 31. Oktober 2010, 21:51
Wohnort: 57629 Mörsbach Ww.
Kontaktdaten:

Re: Steuergerät Heckhydraulik doppeltwirkend ändern

Beitrag von Kurt_TigerSix105 »

Hallo Tobias,
hallo Peter,

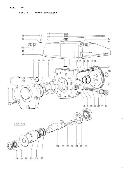
hier mal ein Auszug aus dem WHB für den Tiger Six 105 Seite 39
einfach_doppelt_einfach.pdf
(234.64 KiB) 1094-mal heruntergeladen
Die Abbildung 82 ist die Draufsicht, also wenn du z.b. auf der Ackerschiene stehst und schaust von oben auf den Hydraulikblock. Ich habe dir per email das ganze WHB zukommen lassen.

Bezüglich des Druckes ein Auszug aus dem gleichen WHB Seite 35 (A.K.S. = Automatische Kontroll Station):
Druck150.JPG
Viele Gruesse
Kurt

"Bei 99% aller Probleme ist die umfassende Beschreibung des Problems bereits mehr als die Hälfte der Lösung desselben."
same105s
Beiträge: 3
Registriert: 15. September 2013, 15:55
Wohnort: Burscheid

Re: Steuergerät Heckhydraulik doppeltwirkend ändern

Beitrag von same105s »

hallo peter
genau Anschlüssen der Steuergeräte weil ich da zb denn kipper ab gewisse ladung nicht mehr gekippt bekomme und unser alte mf 168 damit keine probleme hat und da hatte ich mal Hydraulik Manometer montiert und der war dann bei ca150 bar.
die pumpe wird nicht defekt sein weil fürn frontlader zeigt der um 185 bar an.
schadet das der Pumpe, wenn man de Kipper absenkt, ohne das man den zweiten Anschluß an den Rücklauf hängt ?
oder kann der same das irgenwie intern regeln ?


wenn ich bei einem doppelwirkenden Steuergerät einen einfachen Zylinder anschliest, ( z. B. Kipper,), dann geht das Öl von der Pumpe beim Absenken auf Überdruck.
Um das zu vermeiden, solltest ich den freien Anschluss des doppelwirkenden Steuergerätes mit dem freien Rücklauf verbinden. ( ein Stück Schlauch mit 2 Kupplungsstecker )
könnte man das machen ein Rücklauf haben wir dran .
fals man da nix ändern kann.

hallo kurt
ich mach heute mal davon paar fotos weil ich das irgenwie nicht finde wo man das einstellen sollte man sieht aber genau rechts neben den block die steuergeräte
Laser110
Beiträge: 66
Registriert: 30. Dezember 2013, 10:43

Re: Steuergerät Heckhydraulik doppeltwirkend ändern

Beitrag von Laser110 »

Hallo Tobias

Über den Druck kann ich nur bedingt auskunft geben.
Höchstdruck solte bei 170-180 bar liegen.
eingestellt wird dieser meines wissens an den an der Hüdraulikpumpe liegenden Ventile.
Vieleicht ist auch die pumpe selber verschlissen, das kann´s schon mal geben bei den Kolbenpumpen.

Die zwei Steuergeräte können leicht von Doppelwirkend auf einfachwirkend geändert werden.
Werd mich noch mal melden, wenn ich am Schlepperheck stehe und es Richtig beschreiben kann.

Gruss Christian
same105s
Beiträge: 3
Registriert: 15. September 2013, 15:55
Wohnort: Burscheid

Re: Steuergerät Heckhydraulik doppeltwirkend ändern

Beitrag von same105s »

hallo Christian.
ich hab mal davon foto gemacht.
2014-07-17 09.30.58.jpg
2014-07-17 09.30.35.jpg
die pumpe hat ja am frontlader die 180 bar nur hinten leider nicht .
könnte da etwas in denn steuergerät sein ?
Laser110
Beiträge: 66
Registriert: 30. Dezember 2013, 10:43

Re: Steuergerät Heckhydraulik doppeltwirkend ändern

Beitrag von Laser110 »

Anscheinend hast Du eine Zusatzhydraulik mit separaten Steuergeräten verbaut.
Auf den Bildern ist leider nicht zu erkennen, ob auch eine extra Pumpe eingebaut wurde.
Serie waren zwei Steuergeräte im Kraftheberblock und 4 Anschlüssen am Deckel.
Wie weit Dein Tiger jetzt aufgerüstet wurde sieht man an den Bildern nicht.
Vielleicht machst du noch ein paar.

Gruss Christian.
jaguar95
Beiträge: 58
Registriert: 9. Juni 2014, 21:06
Wohnort: Neualbenreuth

Re: Steuergerät Heckhydraulik doppeltwirkend ändern

Beitrag von jaguar95 »

Hallo Tobias,

ja, wenn es ein nachgerüstetes Steuergerät ist, dann ist die Sache eigentlich ganz einfach: Du musst das DBV (Druckbegrenzungsventil) am nachgerüsteten Steuergerät nachstellen! Dieses DBV ist laut deiner Messung auf 150bar eingestellt, wobei das interne DBV nach der Pumpe (wo auch der Frontlader mit 180bar versorgt wird) ja höhere Drücke zulassen würde. Mit deinem Manometer an einem der Anschlüsse im Heck musst du nur das DBV am nachgerüsteten Steuergerät soweit nachstellen bis der Maximaldruck von 180bar auch hier ansteht.
In der Regel sieht die Einstellmöglichkeit für das DBV so aus: eine von einer Mutter verkonterte Stiftschraube (Madenschraube), die man mit einem Innensechskantschlüssel nach Lösen der Kontermutter weiter reindreht. Kann auch anders an diesem Steuergerät sein, aber meistens ist es so.

Gruß
Peter
jaguar95
Beiträge: 58
Registriert: 9. Juni 2014, 21:06
Wohnort: Neualbenreuth

Re: Steuergerät Heckhydraulik doppeltwirkend ändern

Beitrag von jaguar95 »

noch was Tobias,

beim Absenken eines einfachwirkenden Zylinders (also wie an einem Kipper) muss man den Steuerhebel nur ein ganz klein wenig in Richtung Absenken drücken, denn wenn man ihn voll durchdrückt, will das Steuergerät aus dem zweiten Anschluss des Steuergerätes Öl rauspumpen, was aber nicht gehen kann, da dieser Zylinder am Kipper nur einen Anschluss hat. Es fließt kein Öl und deshalb greift dann das DBV ein und entlässt das Öl wieder in den Tank und geht auf Überdruck.

Da aber das Schieberventil des Steuergerätes eine Überschneidung zwischen "Heben" und "Senken" hat, entlässt es bei gefühlvoller Betätigung in Richtung Senken auch das Öl des einfachwirkenden Kipperzylinders in Richtung Hydrauliktank. Gegebenenfalls dauert dann das Senken einen Tick länger, aber ich glaub das interessiert keinen großen Geist.

Servus
Peter
Kurt_TigerSix105
Foren-Administrator
Beiträge: 1308
Registriert: 31. Oktober 2010, 21:51
Wohnort: 57629 Mörsbach Ww.
Kontaktdaten:

Re: Steuergerät Heckhydraulik doppeltwirkend ändern

Beitrag von Kurt_TigerSix105 »

Die intensive Recherche des Ersatzteilkataloges 3078.048.8.2 Ausg. 04-81
ETKatalog.JPG
bringt mich zu folgender Aussage:
Es gibt den generellen Kraftheber mit Kolbenpumpe, bestehend aus:
Gehäuse Automatische Kontrollstation
Gehäuse Automatische Kontrollstation
Hydraulische Pumpe
Hydraulische Pumpe
Kraftheber
Kraftheber
Steuerventil und Regler
Steuerventil und Regler
innere und äußere Steuerung
innere und äußere Steuerung
Zugstangen und Bedienungshebel mit gelbem und grünem Knopf
Zugstangen und Bedienungshebel mit gelbem und grünem Knopf
Was dann weiterhin die zusätzlichen Steuergeräte (zweimal doppeltwirkend) betrifft unterscheiden diese sich in
a) hydraulische Steuerventil vielfachwirkend (werden von der Original Kolbenpumpe versorgt ohne eine zusätzliche Hydraulikpumpe)
Details im nächsten Beitrag

b) als Zubehör eine Hydraulikhilfsanlage (eine zusätzliche Hydraulikpumpe Bosch und ein zusätzliches Steuergerät Bosch sind separat installiert)
Details im übernächsten Beitrag
Viele Gruesse
Kurt

"Bei 99% aller Probleme ist die umfassende Beschreibung des Problems bereits mehr als die Hälfte der Lösung desselben."
Antworten

Zurück zu „Heckhydraulik“