Minitauro 60 Frontlader hebt nicht mehr

Hydraulikblock, Betätigung, Zusatzhubzylinder
Antworten
Orkus
Beiträge: 3
Registriert: 26. Oktober 2022, 19:47

Minitauro 60 Frontlader hebt nicht mehr

Beitrag von Orkus »

Hallo liebe Same Freunde,

Ich habe mir einen Same Minitauro 60 ohne Allrad zugelegt. Es war einiges zu reparieren und musste den Kraftheber hinten abbauen um die Steckachse zu ziehen, diese war nämlich undicht. Jetzt habe ich alles wieder zusammen gebaut und es funktioniert der Frontlader nicht mehr. Wenn der Hebel für den Frontlader leicht runter gedrückt wird hebt sich der Kraftheber und wenn er komplett runter gedrückt wird klacket es im Block. Es wurde in den letzten Tagen unzählige Male auseinander gebaut und probiert. Nun bin ich mit meinen Latein am Ende. Kann mir jemand bitte weiterhelfen?
P.s. In Thema Hydraulik bin ich Laie.
Kurt_TigerSix105
Foren-Administrator
Beiträge: 1300
Registriert: 31. Oktober 2010, 21:51
Wohnort: 57629 Mörsbach Ww.
Kontaktdaten:

Re: Minitauro 60 Frontlader hebt nicht mehr

Beitrag von Kurt_TigerSix105 »

Hallo Orkus,
zunächst ein Herzliches Willkommen hier bei den Same- und Lamborghinifahrern und -freunden.

Ich kenne deine Same Automatische Kontrollstation (SAC), so heißt die bei Same ;) , physisch nur von außen, weil die mehr oder weniger identisch bei Falcon 50, Minitauro 60, Corsaro 70 und Saturno 80 ist.
"Klackern" hört sich für mich an, als wenn etwas mechanisches "ausgehängt" ist und nicht mehr vollständig "eingreifen" kann. Hast du das Teil nur angehoben oder auch geschwenkt. Es hilft dem Leser hier auch sehr wenn du tatsächlich in Einzelheiten beschreiben würdest, was du unzählige Male auseinandergebaut und wieder zusammengebaut hast. Es war ja keiner dabei der das gesehen hat :idea:
Viele Gruesse
Kurt

"Bei 99% aller Probleme ist die umfassende Beschreibung des Problems bereits mehr als die Hälfte der Lösung desselben."
Saturno-Hias
Beiträge: 80
Registriert: 31. Januar 2021, 08:18
Wohnort: Passau

Re: Minitauro 60 Frontlader hebt nicht mehr

Beitrag von Saturno-Hias »

Hallo Orkus,

kann es sein, dass bei der Demontage/Montage des Krafthebers die Mechanik oder das Gestänge des externen Hydraulikventils verbogen oder nicht mehr richtig zusammengebaut wurde? Das sich die Unterlenker bei gedrücktem Hebel anheben kommt davon das die Pumpe auf „fördern“ geschaltet wird, aber das externe Hydraulikventil noch nicht auf „Durchfluss" ist. Drückst Du noch weiter ist das externe Hydraulikventil immer noch nicht auf Durchfluss, sondern eher in einer Zwischenstellung und blockiert nun sämtlichen Öldurchfluss. Was du dann hörst, ist die Pumpe, die gegen das Überdruckventil fördert.

Gruß Matthias
Orkus
Beiträge: 3
Registriert: 26. Oktober 2022, 19:47

Re: Minitauro 60 Frontlader hebt nicht mehr

Beitrag von Orkus »

Vielen Dank schon mal für die Antworten.
Ich habe beim ersten Ausbau gesehen das dieser sehr verschlammt war und habe diesen auf der Seite liegend gereinigt. Ausgebaut habe ich nur den Filter um diesen zu reinigen. Muss ich das Hydraulikventil ausbauen oder kann ich es im eingebauten Zustand wieder auf Durchfluss stellen?
Saturno-Hias
Beiträge: 80
Registriert: 31. Januar 2021, 08:18
Wohnort: Passau

Re: Minitauro 60 Frontlader hebt nicht mehr

Beitrag von Saturno-Hias »

Hallo Orkus,
es ist schwierig Tipps zu geben, wenn man keine vollständigen Angaben bekommt. Als erstes hast Du geschrieben, dass der Kraftheber nur abgenommen wurde, nun schreibst Du dass dieser geöffnet und gereinigt wurde. Die möglichen Fehlerquellen sind dadurch natürlich mehr geworden. Dir auf die ferne eine Anleitung zu geben, wie Du alles überprüfst ist wohl eher nicht möglich.
Orkus
Beiträge: 3
Registriert: 26. Oktober 2022, 19:47

Re: Minitauro 60 Frontlader hebt nicht mehr

Beitrag von Orkus »

Sorry für meine Fehlerhafte Angabe. Ich werde mal alles ausbauen und mir alles genau anschauen. Vielleicht komme ich der Ursache auf den Grund.
Trotzdem danke für eure Tipps.

Mit freundlichen Grüßen
Thomas
Kurt_TigerSix105
Foren-Administrator
Beiträge: 1300
Registriert: 31. Oktober 2010, 21:51
Wohnort: 57629 Mörsbach Ww.
Kontaktdaten:

Re: Minitauro 60 Frontlader hebt nicht mehr

Beitrag von Kurt_TigerSix105 »

Hallo Thomas,

du mußt dich jetzt nicht zurückziehen. Hier helfen wirklich ganz kompetente Leute. Genau das gibt mir auch immer wieder Ansporn weiterzumachen.

Nur es ist tatsächlich ja so, das von diesen Lesern hier wirklich keiner gesehen hat, was du an deinem Minitauro 60 gesehen hast. Deshalb ist eine wirklich detaillierte Beschreibung sehr hilfreich. Hier muß sich auch keiner schämen Fehler zu machen. Jeder Mensch macht Fehler, wirklich jeder auch ich und das öfter. Es kommen hier deshalb keine "verächtlichen" Kommentare. Statt dessen hilft es tatsächlich den ursächlichen Fehler schneller zu finden. Bilder helfen natürlich auch sehr. "Ein Bild sagt mehr als tausend Worte".

Ich würde mir tatsächlich wünschen, wenn du nochmal in dich gehst und einfach von vorne anfängst ganz detailliert zu beschreiben was du gemacht hast und evtl. auch Bilder dazu einstellst.

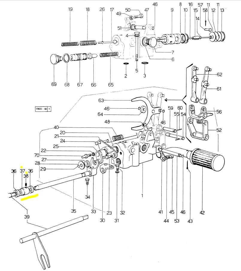
Eine kurze STory als ich die SAC von meinem TigerSix abbaute:
tigersixhydr.JPG
Das kleine Teil Nr. 37 befindet sich in dem Zwischenraum zwischen SAC Gehäuse und dem Getriebedeckel und ist im Normalfall total verdreckt und nicht sichtbar. Und ja genau das sagte mir ein geschulter Same Mechaniker, Paß auf bau das erst aus und hebe dann das Gehäuse ab, sonst verbiegst du innen die Steuerung. Und was soll ich sagen. Mich hat diese Info gerettet, denn ich habe erst mal lange gesucht, bis ich das Teil tatsächlich unter dem Dreck gefunden hatte.

Deshalb lieber Thomas, weitermachen. Aufgeben ist keine Option. Ich kenne ja nicht deine technischen Fähigkeiten und Möglichkeiten aber wenn sich schon jemand an eine Hydraulikeinheit wagt, können die nicht gerade niedrig sein. Ich wünsche dir viel Glück und hoffe demnächst wieder von dir zu lesen. Schöne Restostern.
Viele Gruesse
Kurt

"Bei 99% aller Probleme ist die umfassende Beschreibung des Problems bereits mehr als die Hälfte der Lösung desselben."
Antworten

Zurück zu „Heckhydraulik“