Servus,
Hatte jemand zufällig ein Werkstatthandbuch in Digitaler Form für mich.
LG
Werkstatthandbuch Corsaro Dt
-
- Foren-Administrator
- Beiträge: 1300
- Registriert: 31. Oktober 2010, 21:51
- Wohnort: 57629 Mörsbach Ww.
- Kontaktdaten:
Re: Werkstatthandbuch Corsaro Dt
Servus,
ja, hatte ich.
Gibts auch hier unter diesem Link für 15 EUR.
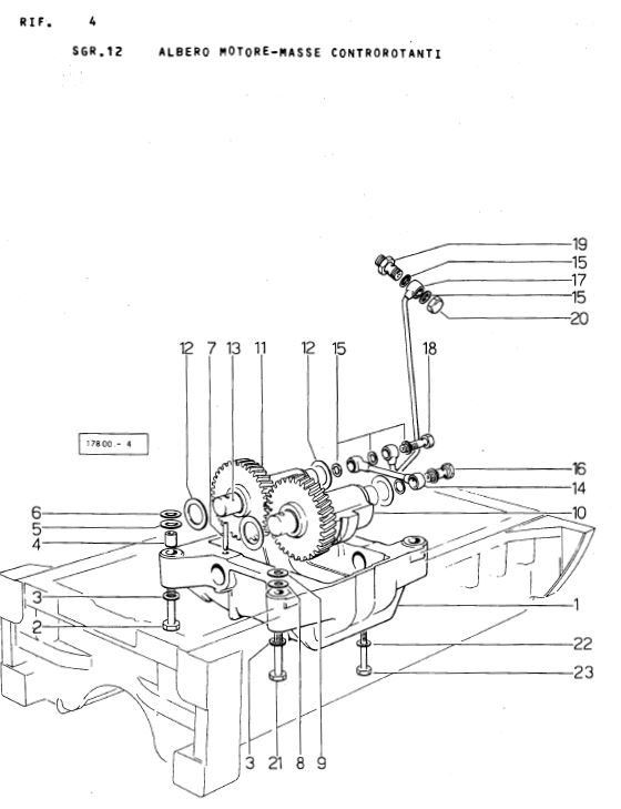
Der Unterschied zwischen Corsaro 70 DT und Corsaro 70 DT Synchro ist, das der Synchro im Motor einen Massenausgleich hat.
ja, hatte ich.
Gibts auch hier unter diesem Link für 15 EUR.
Der Unterschied zwischen Corsaro 70 DT und Corsaro 70 DT Synchro ist, das der Synchro im Motor einen Massenausgleich hat.
Viele Gruesse
Kurt
"Bei 99% aller Probleme ist die umfassende Beschreibung des Problems bereits mehr als die Hälfte der Lösung desselben."
Kurt
"Bei 99% aller Probleme ist die umfassende Beschreibung des Problems bereits mehr als die Hälfte der Lösung desselben."
Re: Werkstatthandbuch Corsaro Dt
Servus Kurt,
Vielen Dank für deine schnelle Antwort.
Könntest du mir die Unterlagen per Dropbox zu Verfügung stellen?
Das würde mich sehr freuen
Viele Grüße.
Vielen Dank für deine schnelle Antwort.
Könntest du mir die Unterlagen per Dropbox zu Verfügung stellen?
Das würde mich sehr freuen
Viele Grüße.
-
- Foren-Administrator
- Beiträge: 1300
- Registriert: 31. Oktober 2010, 21:51
- Wohnort: 57629 Mörsbach Ww.
- Kontaktdaten:
Re: Werkstatthandbuch Corsaro Dt
Servus Marcus,
funktioniert der oben angegebene Link nicht?
funktioniert der oben angegebene Link nicht?
Viele Gruesse
Kurt
"Bei 99% aller Probleme ist die umfassende Beschreibung des Problems bereits mehr als die Hälfte der Lösung desselben."
Kurt
"Bei 99% aller Probleme ist die umfassende Beschreibung des Problems bereits mehr als die Hälfte der Lösung desselben."
Re: Werkstatthandbuch Corsaro Dt
du kanst dir die sachen dort kaufen, Kurtz hat sie nicht zuhause.
daher der link zu den büchern.
und 15€ für nen buch ist noch günstig.
@Kurt_TigerSix105
der links funktionirt.
eicke
Same Atlante 2RM (45) Bj 68