Corsaro Heckhydraulik

Wenn ihr auf der Suche nach Ersatzteilen seid, bitte hier.
Antworten
CorsaroNb
Beiträge: 7
Registriert: 7. September 2014, 20:08

Corsaro Heckhydraulik

Beitrag von CorsaroNb »

Hallo,
Suche lange Welle (1000mm)des Getriebes für die Heck-Hydraulik. (abgeschert :cry: )
Hydraulikpumpe bzw. Teile davon: das viereckige Teil auf der Exzenterwelle und das Teil mit den Kolben.
Hydraulik-Filter der Heckhydraulik.
Dichtsatz der Heckhydraulik.
Gruß, Thomas
Kurt_TigerSix105
Foren-Administrator
Beiträge: 1300
Registriert: 31. Oktober 2010, 21:51
Wohnort: 57629 Mörsbach Ww.
Kontaktdaten:

Re: Corsaro Heckhydraulik

Beitrag von Kurt_TigerSix105 »

hier in Bildern:
corsaro.JPG
corsaro1.JPG
Viele Gruesse
Kurt

"Bei 99% aller Probleme ist die umfassende Beschreibung des Problems bereits mehr als die Hälfte der Lösung desselben."
CorsaroNb
Beiträge: 7
Registriert: 7. September 2014, 20:08

Re: Corsaro Heckhydraulik

Beitrag von CorsaroNb »

VIELEN DANK! Kurt
Ich brauche also:
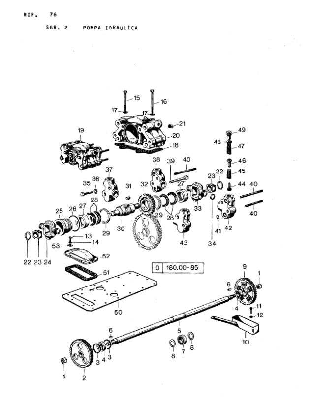
1. Grafik, S.76:
Pos. 23, 24, 18, 5 je 1x
Pos. 34 4x
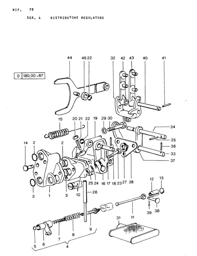
S.78:
Pos. 31 (Filter)
Gerne Gebrauchtteile.
Ich überlege, z.b. die Welle fertigen zu lassen. Falls jemand Bedarf hat, kann ich mdhrere machen lassen...

Gruß Thomas
Benutzeravatar
GüldnerG50
Beiträge: 215
Registriert: 22. Dezember 2013, 22:41
Wohnort: Bei Augsburg

Re: Corsaro Heckhydraulik

Beitrag von GüldnerG50 »

Hallo.

Wenn du keine Welle bekommst, die lässt sich auch wieder richten. In die Drehbank spannen und an der Bruchfläche eine Zentrierbohrung setzten. Hier nun eine Passbohrung herstellen (z.B. 6H7), selbiges auf der anderen Seite. Passstift reinklopfen und die Welle damit zusammenstecken. Die Bruchflächen zuvor am Rand sauber anfasen. So drehen, wie die Welle zusammengehört. Eine Seite der Welle ins Backenfutter und die andere mit der Zentrierspitze aufnehmen (die lange Welle hat sicher ne Zentrierung, wenn nicht halt eine rein machen) und dann sauber zusammenschweißen. Hochwertige Elektroden nehmen!! Habe den Käse schon an den Steckachsen unseres Hoflader gemacht. Die sind original schon abgesägt und geschweißt. Das muss irgendwann mal abbrechen. Seit dem ich den Mist mal mit ner vernünftigen Elektrode geschweißt habe ist hier Ruhe in der Truhe... Original sah das verdächtig nach "Schutzgas" aus. Nach dem Schweißen die Welle einfach liegen lassen (Zeit für Bier ;) ) und bloß nicht in Wasser oder so abschrecken.... Die Bruchflächen nicht planen, sonst wird die Welle zu kurz :mrgreen: Seit meiner Schweißung hält die Achse ohne Murren, hat schon etliches an Futter bewegt und seit es nen größeren Lader gibt muss der Kleine öfters mal Betonmischer füllen und so Zeug, was mit dem halt besser geht, aber meist nichts leichtes. (Burnout mit allen 4en geht auch :twisted: )

Grüße
Armin Saier
Beiträge: 2
Registriert: 23. Juli 2013, 19:58

Re: Corsaro Heckhydraulik

Beitrag von Armin Saier »

Hallo,Corsaro Nb, habt ihr das Problem mit der Welle gelöst?
Bei meinem Saturno kommt womöglich das gleiche auf mich zu!
Die Welle macht gibt laute Geräusche wenn Hydrauklik unter Last steht,gebrochen ist die welle noch nicht,ich vermute daß die Lager defekt sind.
War der Ausbau der Welle ein größeres Problem?
MfG Armin Saier
CorsaroNb
Beiträge: 7
Registriert: 7. September 2014, 20:08

Re: Corsaro Heckhydraulik

Beitrag von CorsaroNb »

Hallo Armin,

Mein Same läuft wieder und die Hydraulik hebt prächtig... Geräusche machte er vorher einige und die Hubgeschwindigkeit war laaaam. Allerdings war bei mir nicht nur die Welle gebrochen. Der 4-eckige Klotz der hinteren Pumpenstufe war gebrochen und daher hatte sich der runde Exzenter der Pumpenwelle in die Kulisse mit den beiden Kolben geschliffen. Am Ende waren es so 700 euronen an teilen, da ich auch eine neue Pumpenwelle und Lager eingebaut habe. Wenn, dann halt richtig und dafür die nächsten Jahre Ruhe.
Die gebrochene Welle rauszukriegen war übel. Sue war beim vorderen Lager gebrochen. Der Stummel war samt Lager noch im vorderen Zahnrad, und das geht halt leider nicht samt dem Wellenstück aus dem Getriebegehäuse... also Flex frei :shock:

Die Welle selbst rauszukriegen ist machbar. Hydraulikblock und die Getriebedeckel runter. Dann die Zahnräder ab- etwas Wärme kann helfen- beide mit Kegelsitz. Die Welle samt Lagern geht dann nach hinten raus, nachdem man den Blinddeckel des Getriebes entfernt hat.
Als neue Lager habe ich 2RS Lager verwendet. Kosten unwesentlich mehr im Fachhandel... ob die Lager grossartig Öl abbekommen bezweifle ich, daher die dauergeschmierten...

Wenn unter Belastung ein Klackern zu hören ist, kommt das aber wahrscheinlich vonj der Pumpe. Wenn nur die Klötze verschlissen sind wirds günstig. Wenn wie bei mir auch die Kulisse beschädigt ist, teuer.

Bei bedarf können wir mal telefonieren...

Beste Grüße, Thomas
Benutzeravatar
GüldnerG50
Beiträge: 215
Registriert: 22. Dezember 2013, 22:41
Wohnort: Bei Augsburg

Re: Corsaro Heckhydraulik

Beitrag von GüldnerG50 »

Hallo.

Was wurde eig. aus der gebrochenen Welle?

Grüße
CorsaroNb
Beiträge: 7
Registriert: 7. September 2014, 20:08

Re: Corsaro Heckhydraulik

Beitrag von CorsaroNb »

Die alte Welle liegt als Altmetall in der Werkstatt....
Benutzeravatar
GüldnerG50
Beiträge: 215
Registriert: 22. Dezember 2013, 22:41
Wohnort: Bei Augsburg

Re: Corsaro Heckhydraulik

Beitrag von GüldnerG50 »

Hallo.

Wäre super, wenn du dem Rest der Welt mitteilen würdest, wo du ne andere Welle bekommen hast, sowas ist immer gut zu wissen....

Grüße
CorsaroNb
Beiträge: 7
Registriert: 7. September 2014, 20:08

Re: Corsaro Heckhydraulik

Beitrag von CorsaroNb »

Die Welle habe ich gebraucht von crt-tractors.it und ein paar andere Teile. Die Neuteile sind hauptsächlich von der Hölzlberger Gmbh in Austria. Die Listenpreise von Same sind schon happig. Für eine neue Welle ca. 400 euronen. Hätte ich keine gebrauchte bekommen, hätte ich mir eine fertigen lassen. Das kommt günstiger - erst recht in cz...
Gruß Thomas
Antworten

Zurück zu „Suche“