Getriebeprobleme Minitaurus 60 DT
Getriebeprobleme Minitaurus 60 DT
Bin neu hier im Forum und hätte eine Frage.
Bei meinem Same Minitaurus 60 DT Bj. 1987 lässt sich das Getriebe nur sehr hackelig schalten, besonders der 2. Gang.
Kann mir vielleicht jemand sagen an was das liegt?
Mfg hastra
-
- Foren-Administrator
- Beiträge: 1300
- Registriert: 31. Oktober 2010, 21:51
- Wohnort: 57629 Mörsbach Ww.
- Kontaktdaten:
Re: Getriebeprobleme Minitaurus 60 DT
Willkommen im Sameforum,
da ich lese das dein Minitaurus Bj. 87 ist, gehe ich davon aus, das dein Getriebe auch schon synchronisiert ist. Bei meinem Tiger Six 105 hat ein Ölwechsel enorme Schalterleichterung gebracht. Bei mir war die Schaltung nicht hakelig sondern eher schwergängig. Hakelig könnte aber auch auf ein ausgeleiertes Schaltgestänge hindeuten,
da ich lese das dein Minitaurus Bj. 87 ist, gehe ich davon aus, das dein Getriebe auch schon synchronisiert ist. Bei meinem Tiger Six 105 hat ein Ölwechsel enorme Schalterleichterung gebracht. Bei mir war die Schaltung nicht hakelig sondern eher schwergängig. Hakelig könnte aber auch auf ein ausgeleiertes Schaltgestänge hindeuten,
- Dateianhänge
Viele Gruesse
Kurt
"Bei 99% aller Probleme ist die umfassende Beschreibung des Problems bereits mehr als die Hälfte der Lösung desselben."
Kurt
"Bei 99% aller Probleme ist die umfassende Beschreibung des Problems bereits mehr als die Hälfte der Lösung desselben."
Re: Getriebeprobleme Minitaurus 60 DT
Hallo Kurt
Danke für die schnelle Antwort.
Mein Getriebe ist schon synchronisiert.
Wenn das Schaltgestänge ausgeleiert ist kann man das Schaltgestänge aufschweißen oder muss man es austauschen?
Oder ist es auch möglich das nur eine Büchse zu viel Spiel hat ?
Hat vielleicht jemand so etwas schon einmal repariert ?
Mfg hastra
Danke für die schnelle Antwort.
Mein Getriebe ist schon synchronisiert.
Wenn das Schaltgestänge ausgeleiert ist kann man das Schaltgestänge aufschweißen oder muss man es austauschen?
Oder ist es auch möglich das nur eine Büchse zu viel Spiel hat ?
Hat vielleicht jemand so etwas schon einmal repariert ?
Mfg hastra
-
- Foren-Administrator
- Beiträge: 1300
- Registriert: 31. Oktober 2010, 21:51
- Wohnort: 57629 Mörsbach Ww.
- Kontaktdaten:
Re: Getriebeprobleme Minitaurus 60 DT
Hallo hastra,
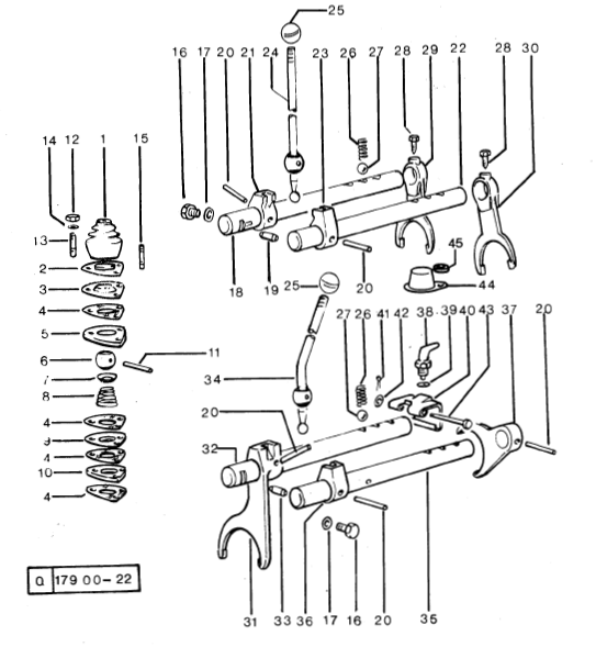
das kann ich so aus der Ferne nicht sagen. Wenn du den Deckel geöffnet hast wirst du sehen ob was verschlissen ist oder eingelaufen. Wenn etwas verschlissen sein sollte kommt es drauf an. Die Kugel vom Schalthebel, die in die Schaltklauen greift, kann ich mir vorstellen aufschweißen zu können und dann wieder abzuschleifen. Wenn aber z. B. eine Schaltgabel in der Schaltmuffe eingelaufen ist, sollte diese erneuert werden.
das kann ich so aus der Ferne nicht sagen. Wenn du den Deckel geöffnet hast wirst du sehen ob was verschlissen ist oder eingelaufen. Wenn etwas verschlissen sein sollte kommt es drauf an. Die Kugel vom Schalthebel, die in die Schaltklauen greift, kann ich mir vorstellen aufschweißen zu können und dann wieder abzuschleifen. Wenn aber z. B. eine Schaltgabel in der Schaltmuffe eingelaufen ist, sollte diese erneuert werden.
Viele Gruesse
Kurt
"Bei 99% aller Probleme ist die umfassende Beschreibung des Problems bereits mehr als die Hälfte der Lösung desselben."
Kurt
"Bei 99% aller Probleme ist die umfassende Beschreibung des Problems bereits mehr als die Hälfte der Lösung desselben."
Re: Getriebeprobleme Minitaurus 60 DT
Hallo
Manchmal nützt schon Einiges,wenn mann die Manschetten unten am Ganghebel etwas lösst,und den Mechanismus unten
am Hebel etwas fettet.Dieser läuft dann weniger aus (Verschleiss) und die Schaltung geht leichter.Ansonsten wie oben beschrieben Verschleissteile wechseln.
Gruss Klaus D
Manchmal nützt schon Einiges,wenn mann die Manschetten unten am Ganghebel etwas lösst,und den Mechanismus unten
am Hebel etwas fettet.Dieser läuft dann weniger aus (Verschleiss) und die Schaltung geht leichter.Ansonsten wie oben beschrieben Verschleissteile wechseln.
Gruss Klaus D