Hallo
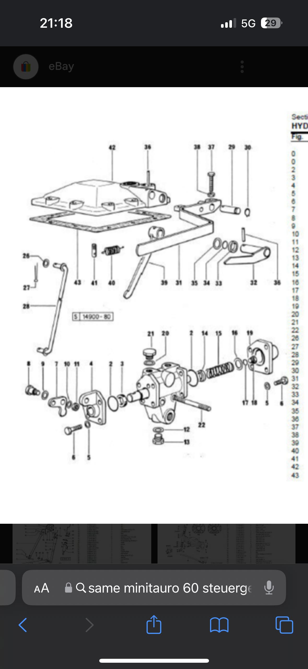
Ich habe die Platte wo der Hebel für das Steuergerät montiert ist abgebrochen und wollte fragen ob vielleicht jemand weiß wo man die noch bekommen kann.
Es ist auf den Bildern die Nummer 4
Danke für eure Hilfe,
Lg Dominique
Steuergerät Platte
Hydraulikblock, Betätigung, Zusatzhubzylinder
-
Kurt_TigerSix105
- Foren-Administrator
- Beiträge: 1330
- Registriert: 31. Oktober 2010, 21:51
- Wohnort: 57629 Mörsbach Ww.
- Kontaktdaten:
Re: Steuergerät Platte
Beitrag von Kurt_TigerSix105 »
Hallo Dominique,
hier sind einige Lieferanten aufgelistet, die sich als Ersatzteillieferanten bewährt haben.
hier sind einige Lieferanten aufgelistet, die sich als Ersatzteillieferanten bewährt haben.
Viele Gruesse
Kurt
"Bei 99% aller Probleme ist die umfassende Beschreibung des Problems bereits mehr als die Hälfte der Lösung desselben."
Kurt
"Bei 99% aller Probleme ist die umfassende Beschreibung des Problems bereits mehr als die Hälfte der Lösung desselben."
Gehe zu
- Allgemeines
- ↳ Das Forum betreffend...
- ↳ Neuigkeiten und Ankündigungen
- ↳ Firmen, Adressen, Webseiten
- Same
- ↳ DA 12 bis DA 67 ohne Sametto (1953-1966)
- ↳ Wissenswertes
- ↳ Motor
- ↳ Triebwerk
- ↳ Bremse
- ↳ Lenkung
- ↳ Karosserie
- ↳ elektrische Anlage
- ↳ Heckhydraulik
- ↳ Bereifung
- ↳ Zubehör
- ↳ Puledro, 240, 250, 360, 480, Ariete, Atlanta, Italia (1959-65)
- ↳ Wissenswertes
- ↳ Motor
- ↳ Triebwerk
- ↳ Bremse
- ↳ Lenkung
- ↳ Karosserie
- ↳ elektrische Anlage
- ↳ Heckhydraulik
- ↳ Bereifung
- ↳ Zubehör
- ↳ Delfino, Aurora (1971-95)
- ↳ Wissenswertes
- ↳ Motor
- ↳ Triebwerk
- ↳ Bremse
- ↳ Lenkung
- ↳ Karosserie
- ↳ elektrische Anlage
- ↳ Heckhydraulik
- ↳ Bereifung
- ↳ Zubehör
- ↳ Falcon, Minitauro, Centauro (1965-78)
- ↳ Wissenswertes
- ↳ Motor
- ↳ Triebwerk
- ↳ Bremse
- ↳ Lenkung
- ↳ Karosserie
- ↳ elektrische Anlage
- ↳ Heckhydraulik
- ↳ Bereifung
- ↳ Zubehör
- ↳ Leone, Corsaro, Saturno, Ariete (1967-80)
- ↳ Wissenswertes
- ↳ Motor
- ↳ Triebwerk
- ↳ Bremse
- ↳ Lenkung
- ↳ Karosserie
- ↳ elektrische Anlage
- ↳ Heckhydraulik
- ↳ Bereifung
- ↳ Zubehör
- ↳ Panter, Drago, Buffalo (1973-77)
- ↳ Wissenswertes
- ↳ Motor
- ↳ Triebwerk
- ↳ Bremse
- ↳ Lenkung
- ↳ Karosserie
- ↳ elektrische Anlage
- ↳ Heckhydraulik
- ↳ Bereifung
- ↳ Zubehör
- ↳ Falcon, Condor, Taurus, Minitaurus (1976-87)
- ↳ Wissenswertes
- ↳ Motor
- ↳ Triebwerk
- ↳ Bremse
- ↳ Lenkung
- ↳ Karosserie
- ↳ elektrische Anlage
- ↳ Heckhydraulik
- ↳ Bereifung
- ↳ Zubehör
- ↳ Centauro, Centurion, Mercury, Leopard (1978-87)
- ↳ Wissenswertes
- ↳ Motor
- ↳ Triebwerk
- ↳ Bremse
- ↳ Lenkung
- ↳ Karosserie
- ↳ elektrische Anlage
- ↳ Heckhydraulik
- ↳ Bereifung
- ↳ Zubehör
- ↳ Panther, Jaguar (1978-84)
- ↳ Wissenswertes
- ↳ Motor
- ↳ Triebwerk
- ↳ Bremse
- ↳ Lenkung
- ↳ Karosserie
- ↳ elektrische Anlage
- ↳ Heckhydraulik
- ↳ Bereifung
- ↳ Zubehör
- ↳ Tiger, Trident (1977-83)
- ↳ Wissenswertes
- ↳ Motor
- ↳ Triebwerk
- ↳ Bremse
- ↳ Lenkung
- ↳ Karosserie
- ↳ elektrische Anlage
- ↳ Heckhydraulik
- ↳ Bereifung
- ↳ Zubehör
- ↳ Drago, Buffalo, Hercules (1978-86)
- ↳ Wissenswertes
- ↳ Motor
- ↳ Triebwerk
- ↳ Bremse
- ↳ Lenkung
- ↳ Karosserie
- ↳ elektrische Anlage
- ↳ Heckhydraulik
- ↳ Bereifung
- ↳ Zubehör
- ↳ Vigneron, Frutteto, Golden (1979-2009)
- ↳ Wissenswertes
- ↳ Motor
- ↳ Triebwerk
- ↳ Bremse
- ↳ Lenkung
- ↳ Karosserie
- ↳ elektrische Anlage
- ↳ Heckhydraulik
- ↳ Bereifung
- ↳ Zubehör
- ↳ Explorer, Explorer II, Explorer III (1983- heute) auch Same Acqua Speed 95
- ↳ Wissenswertes
- ↳ Motor
- ↳ Triebwerk
- ↳ Bremse
- ↳ Lenkung
- ↳ Karosserie
- ↳ elektrische Anlage
- ↳ Heckhydraulik
- ↳ Bereifung
- ↳ Zubehör
- ↳ Laser, Galaxy (1985-96)
- ↳ Wissenswertes
- ↳ Motor
- ↳ Triebwerk
- ↳ Bremse
- ↳ Lenkung
- ↳ Karosserie
- ↳ elektrische Anlage
- ↳ Heckhydraulik
- ↳ Bereifung
- ↳ Zubehör
- ↳ Solar (1987-97)
- ↳ Wissenswertes
- ↳ Motor
- ↳ Triebwerk
- ↳ Bremse
- ↳ Lenkung
- ↳ Karosserie
- ↳ elektrische Anlage
- ↳ Heckhydraulik
- ↳ Bereifung
- ↳ Zubehör
- ↳ Aster (1989-96)
- ↳ Motor
- ↳ Triebwerk
- ↳ Bremse
- ↳ Lenkung
- ↳ Karosserie
- ↳ elektrische Anlage
- ↳ Heckhydraulik
- ↳ Bereifung
- ↳ Zubehör
- ↳ Antares, Antares II (1989-2000)
- ↳ Motor
- ↳ Triebwerk
- ↳ Bremse
- ↳ Lenkung
- ↳ Karosserie
- ↳ elektrische Anlage
- ↳ Heckhydraulik
- ↳ Bereifung
- ↳ Zubehör
- ↳ Titan (1991-2001)
- ↳ Wissenswertes
- ↳ Motor
- ↳ Triebwerk
- ↳ Bremse
- ↳ Lenkung
- ↳ Karosserie
- ↳ elektrische Anlage
- ↳ Heckhydraulik
- ↳ Bereifung
- ↳ Zubehör
- ↳ Solaris (1992 - )
- ↳ Wissenswertes
- ↳ Motor
- ↳ Triebwerk
- ↳ Bremse
- ↳ Lenkung
- ↳ Karosserie
- ↳ elektrische Anlage
- ↳ Heckhydraulik
- ↳ Bereifung
- ↳ Zubehör
- ↳ Argon, Argon Classic, Argon III (1993-heute)
- ↳ Wissenswertes
- ↳ Motor
- ↳ Triebwerk
- ↳ Bremse
- ↳ Lenkung
- ↳ Karosserie
- ↳ elektrische Anlage
- ↳ Heckhydraulik
- ↳ Bereifung
- ↳ Zubehör
- ↳ Dorado alle Typen (1995- )
- ↳ Motor
- ↳ Triebwerk
- ↳ Bremse
- ↳ Lenkung
- ↳ Karosserie
- ↳ elektrische Anlage
- ↳ Heckhydraulik
- ↳ Bereifung
- ↳ Zubehör
- ↳ Silver, alle Typen (1995-2013)
- ↳ Wissenswertes
- ↳ Motor
- ↳ Triebwerk
- ↳ Bremse
- ↳ Lenkung
- ↳ Karroserie
- ↳ elektrische Anlage
- ↳ Heckhydraulik
- ↳ Bereifung
- ↳ Zubehör
- ↳ Rubin (1998-2004)
- ↳ Wissenswertes
- ↳ Motor
- ↳ Triebwerk
- ↳ Bremse
- ↳ Lenkung
- ↳ Karosserie
- ↳ elektrische Anlage
- ↳ Heckhydraulik
- ↳ Bereifung
- ↳ Zubehör
- ↳ Raupenschlepper
- ↳ Wissenswertes
- ↳ Motor
- ↳ Triebwerk
- ↳ Bremse
- ↳ Lenkung
- ↳ Karosserie
- ↳ elektrische Anlage
- ↳ Heckhydraulik
- ↳ Bereifung
- ↳ Zubehör
- Lamborghini
- ↳ Wie wird Lamborghini richtig ausgesprochen
- ↳ Lamborghini Acqua Speed 100
- ↳ Wissenswertes
- ↳ Motor
- ↳ Triebwerk
- ↳ Bremse
- ↳ Lenkung
- ↳ Karosserie
- ↳ elektrische Anlage
- ↳ Heckhydraulik
- ↳ Bereifung
- ↳ Zubehör
- ↳ Alle Lamborghini Typen (1948 - 1967)
- ↳ Wissenswertes
- ↳ Motor
- ↳ Triebwerk
- ↳ Bremse
- ↳ Lenkung
- ↳ Karosserie
- ↳ elektrische Anlage
- ↳ Heckhydraulik
- ↳ Bereifung
- ↳ Zubehör
- ↳ R235 (1972 - 1989)
- ↳ Wissenswertes
- ↳ Motor
- ↳ Triebwerk
- ↳ Bremse
- ↳ Lenkung
- ↳ Karosserie
- ↳ elektrische Anlage
- ↳ Heckhydraulik
- ↳ Bereifung
- ↳ Zubehör
- ↳ R503 - R603 (1973-1982) R704 - R804 - R904 (1976-1982)
- ↳ Wissenswertes
- ↳ Motor
- ↳ Triebwerk
- ↳ Bremse
- ↳ Lenkung
- ↳ Karosserie
- ↳ elektrische Anlage
- ↳ Heckhydraulik
- ↳ Bereifung
- ↳ Zubehör
- ↳ 654(77-82) - 754(75-82 - 754(82-85) - 784(80-85) - 854(76-85) - 955(79-85)
- ↳ Wissenswertes
- ↳ Motor
- ↳ Triebwerk
- ↳ Bremse
- ↳ Lenkung
- ↳ Karosserie
- ↳ elektrische Anlage
- ↳ Heckhydraulik
- ↳ Bereifung
- ↳ Zubehör
- ↳ 483 - 583 - 653 - 683 - 684 (1980 - 1985)
- ↳ Wissenswertes
- ↳ Motor
- ↳ Triebwerk
- ↳ Bremse
- ↳ Lenkung
- ↳ Karosserie
- ↳ elektrische Anlage
- ↳ Heckhydraulik
- ↳ Bereifung
- ↳ Zubehör
- ↳ 550 - 660 (1986-1997)
- ↳ Wissenswertes
- ↳ Motor
- ↳ Triebwerk
- ↳ Bremse
- ↳ Lenkung
- ↳ Karosserie
- ↳ elektrische Anlage
- ↳ Heckhydraulik
- ↳ Bereifung
- ↳ Zubehör
- ↳ 600 - 700 (1989 - 1996)
- ↳ Crono 554-50 - 564-60 - 574-70 (1993 - 2001)
- ↳ Wissenswertes
- ↳ Motor
- ↳ Triebwerk
- ↳ Bremse
- ↳ Lenkung
- ↳ Karosserie
- ↳ elektrische Anlage
- ↳ Heckhydraulik
- ↳ Bereifung
- ↳ Zubehör
- ↳ Premium 850 - 950 - 1050 - 1060 (1995 - 2004)
- ↳ Wissenswertes
- ↳ Motor
- ↳ Triebwerk
- ↳ Bremse
- ↳ Lenkung
- ↳ Karosserie
- ↳ elektrische Anlage
- ↳ Heckhydraulik
- ↳ Bereifung
- ↳ Zubehör
- ↳ Crono 70- 80 - 90 - 100 (2017 - )
- ↳ Wissenswertes
- ↳ Motor
- ↳ Triebwerk
- ↳ Bremse
- ↳ Lenkung
- ↳ Karosserie
- ↳ elektrische Anlage
- ↳ Heckhydraulik
- ↳ Bereifung
- ↳ Zubehör
- ↳ R1.30 - R1.55
- ↳ Wissenswertes
- ↳ Motor
- ↳ Triebwerk
- ↳ Bremse
- ↳ Lenkung
- ↳ Karosserie
- ↳ elektrische Anlage
- ↳ Heckhydraulik
- ↳ Bereifung
- ↳ Zubehör
- ↳ R4.85 - R4.110 (2004 - 2009)
- ↳ Wissenswertes
- ↳ Motor
- ↳ Triebwerk
- ↳ Bremse
- ↳ Lenkung
- ↳ Karosserie
- ↳ Elektrische Anlage
- ↳ Heckhydraulik
- ↳ Bereifung
- ↳ Zubehör
- Off-topic
- ↳ Off-topic
- ↳ Vorstellungen
- ↳ Galerie
- ↳ Biete / Suche
- ↳ Biete
- ↳ Suche
- ↳ Termine